613 - PONTEIRA CARDAN C/ROSCA MB 1113/1313/1513 ACO
614 - FLEXIVEL SISTEMA EMBREAGEM GM S10/BLAZER MOTOR 2.8
615 - ALAVANCA CAMBIO GM A/C/10/20 260F 4 MARCHA COMPLETA
616 - COXIM MOTOR MB DIANT/TRAS AXOR/ACTROS 1938S/1944S/2040S/2631 OM-457 LARGURA 122MM/FIXACAO 28MM TARJA VERDE
617 - CAMISA FUT LINHA
618 - CAMISA FUT GOLEIRO
619 - BASE ABS RESFRIAGRO ANTIGO CLIMATIZADOR
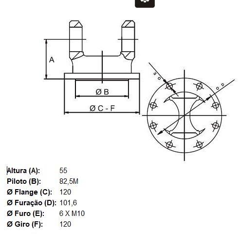
620 - GARFO SOLDAR CARDAN MB 1519/1418/1618/2219/0364 ACO
621 - GARFO SOLDAR CARDAN MB 1113/1313/1513/2013 ACO
622 - CHICOTE INTERMEDIARIO DO MICROPROCESSADOR CLIMATIZADOR PINO MACHO 70 MM
623 - PORCA DUPLA GRAMPO/TAMBOR CARRETA 16MM MB
624 - FLEXIVEL CARR ASPIRAL 6.5MT AMARELO S/CONEXAO
625 - EIXO COMANDO FORD CARGO MOTOR 7.8
626 - ROLAMENTO ENTALHADO PONTA MB G3.60/S5-680/S6-680
627 - POLIA ESTICADOR CORREIA ALTERNADOR SCANIA 114/124 NYLON
628 - LAMPADA BIODO 24V H4 75/70W
629 - CJ REPARO CUBO REDUTOR MB AXOR 1938 RODOVIARIO HD/HL-7 USA-5
630 - FLANGE CARDAN MB C/OLHAL 1519/1418/1618
631 - FLANGE CARDAN MB C/OLHAL 321/1111 6-FUROS ACO
632 - JG JUNTA CAMBIO FORD CARGO/VW CL280V/450/550/551/FS4205/FS4005 2- JUNTA NA TAMPA
633 - LANTERNA PLACA SINALEIRA CRISTAL C/LUZ PRATA
634 - LANTERNA CABINE EXT SINALEIRA FORD CARGO LD CRISTAL
635 - LANTERNA CABINE EXT SINALEIRA FORD CARGO LE CRISTAL
636 - LANTERNA FRONTAL SINALEIRA FORD CARGO LD AMARELA
637 - LANTERNA BACKETAO CARRETA MODERNA C/SOQUETE TRICOLOR2
638 - LENTE LANTERNA CARRETA RANDON MODERNA C/LUZ RE
639 - LANTERNA LATERAL CARRETA GUERRA/RANDON SINALEIRA REDONDA S/ SUPORTE AMARELA 85MM
640 - LENTE LANTERNA CARRETA RANDON MODERNA VERMELHA
641 - LENTE LANTERNA CARRETA RANDON MODERNA AMARELA
642 - DISCO EMBREAGEM FORD CARGO/VW MWM/CUMMINS/MAXION/PERKINS 325MM 10-ESTRIAS SIMPLES REMANUF
643 - PLATO EMBREAGEM GM D60/D70 MOTOR 6357/6358
644 - PISTAO C/ANEL MOTOR GM/PERKINS 3.152/4.203 MF 50X/55X/65X/155/235/250 INDIRETA
645 - JG JUNTA MOTOR GM/PERKINS 3152 MF 50X COMPLETO
646 - VALVULA CABECOTE ESCAPE GM/PERKINS 3152 MF 50X BAULADA
647 - VALVULA CABECOTE ADMISSAO GM/PERKINS 3152 MF 50X BAULADA
648 - BRONZINA BIELA GM/PERKINS 3152/4203 0.40 =1.00
649 - BUCHA PINO MOLA MONOBLOCO 0NIBUS MB O355/O362/O364
650 - PINO MOLA MONOBLOCO 0NIBUS MB O355/O362/O364
651 - PINO MOLA MB TRAS ONIBUS O370/O371
652 - UNIDADE ELETRONICA SCANIA 124 USA 06 PC
653 - KITS MOTOR SCANIA 113 93/95 R.C.-4 SEMI ECOLOGICO
654 - VALVULA FREIO MAO WABCO MB OF1418 2-SAIDA
655 - TRAVA ARANHA FORD F4000/VW 6.80/6.90/7.90/8.90/8.140/8.150 MODERNA
656 - RELE AUXILIAR SCANIA/VOLVO/MB 24V 30-AMPERES 4-TERMINAL
657 - SUPORTE AUX CONTRA FECHO FORD F600/F13000
658 - SUPORTE AUX CONTRA FECHO FORD F4000 .../93
659 - SUPORTE MOLA TRAS P/D.T. FORD F4000 ..../89
660 - GUIA GRAMPO MOLA TRAS FORD F4000
Páginas:
Horários de Funcionamento de Segunda-feira a Sexta-Feira das 08:00-17:35 Sábados das 08:00-10:35
Preencha seu e-mail e fique por dentro das novidades
© 2023 Copyright 2023 Carlinhos Peçlas